
![]() | |
工作原理/working principle-----------------------------------------------------------◆◆ | |
| Focbar单晶硅压力变送器采用世界上先进的单晶硅压力传感器技术与专利封装工艺,精心研制出的一款国际领先技术的超高性能压力变送器。单晶硅压力传感器位于金属本体最顶部,远离介质接触面,实现机械隔离和热隔离;玻璃烧结一体的传感器引线实现了与金属基体的高强度电气绝缘,提高了电子线路的灵活性能与耐瞬变电压保护的能力。这些独创的单晶硅压力传感器封装技术确保了Focp(智能)单晶硅压力变送器可从容应对极端的化学场合和机械负荷,同时具备极强的抗电磁干扰能力,足以应对苛刻的工业环境应用,是名副其实的隐形仪表。 | |
结构组成/Structural components-----------------------------------------------------◆◆ | |
![]() | |
| 1.表头前盖 2.前盖镜片 3.表头 4.壳体 5.铭牌标签 6.防爆接头 7.接线端子 8.表头后盖 9.传感器 10.螺纹连接 | |
产品特点/Product features-----------------------------------------------------------◆◆ | |
| ◆准确度高、稳定性好。除进口原装传感器已用激光修正外, 还对整机在使用温 度范围内的综合性温度漂移、非线性进行精细地补偿,因此在使用温度范围 内非线性小,温度稳定性好。◆可靠的机械保护IP65和防爆保护 ExdⅡCT6,可用于各种恶劣环境。◆可用于测量粘稠、结晶和腐蚀性介质。◆4mA~20mADC标准电流信号输出,二线制工作,带负载抗干扰能力强。◆体积小、重量轻,安装、调试、维护、使用方便。 | |
产品参数/Product parameters-------------------------------------------------------◆◆ | |
| 1、主要技术参数名称单晶硅压力变送器适用场合压力、液位测量测量范围1kpa-40Mpa精度等级±0.075%量程上限,可选±0.05%量程上限供电电压24V DC输出信号4-20mA、4-20Ma+HART膜片材质316L、哈氏合金C防护等级IP67 | |
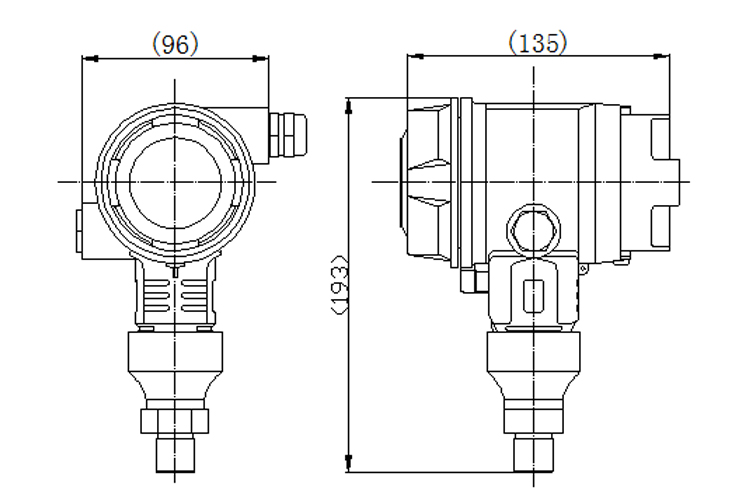
产品外形尺寸/Product dimensions-----------------------------------------------------◆◆ | |
| |
量程及范围极限/Range and range limits------------------------------------------------◆◆ | |
| 标称量程最小量程量程下限(LRL)量程上限(URL)过载6kpa1kpa-6kpa6kpa25Mpa40kpa2kpa-40kpa40kpa25Mpa250kpa12.5kpa-100kpa250kpa25Mpa1Mpa50kpa-100kpa1Mpa25Mpa3Mpa150kpa-0.1kpa3Mpa25Mpa*10Mpa500kpa-0.1kpa10Mpa25Mpa40Mpa5kpa-0.1kpa40Mpa40Mpa 以上测量量程也可换算为以kg/cm2、Mpa和kpa等单位表示。可根据要求提供其他测量量程。 设置高、低限值要求:低限值(LRV)与高限值(URV)在量程上下限范围内取值,最小得量程≤|URV-LRV|≤量程上限 *DMP305X-TST-H适用标称量程≤10Mpa | |
| 性能测试标准及基准条件 | |
| 测试标准:GB/T28474/IEC60770;基准条件:从零点开始的量程;硅油充液,316L不锈钢隔离膜片,4-20mA模拟输出,端基微调至设定值 | |
| 性能指标 | |
| 总体性能包括并不限于【参考精度】、【环境温度影响】、【静压影响 】、和其它影响的综合误差 典型精度:±0.075%量程上限 年稳定性:±0.2%量程上限/5年 | |
| 参考精度 | |
| 依据标准和测试基准条件,包括线性(BFSL)、迟滞、重复性。校准温度:20℃±5℃ | |
| 线性输 出精度TD≤10(注1)±0.075%量程上限标称量程 6kPa、40kPa 250kPa、1MPa 3MPa、10MPa10 | |
| 注1:TD(Turn down)是指量程比,TD=URL/|URV-LRV| | |
| 环境温度影响 | |
| 在-20-80℃范围内总影响量 ±(0.1+0.1TD)%量程上限 | |
| 绝缘电阻 | |
| ≥20MΩ@参考条件下,100DVC | |
| 电源影响 | |
| 当供电电压在10.5/16.5-55VDC内变化, 其零点和量程的变化应不超过 ±0.005%量程上限/V | |
| 安装位置影响 | |
| 任意位置安装,最大不超过400Pa可通过清零功能校正 | |
| 振动影响 | |
| 按GB/T1827.3/IEC61298-3测试,<0.1%量程上限 | |
| 输出信号 | |
| 二线制4-20mA,用户可选线性输出或平方根输出,数字过程变量叠加于4-20mA信号上,适用于任何符合HART协议的主机 | |
规格参数/Specification parameter-----------------------------------------------------◆◆ | |
| 1、时间指标总阻尼时间常数:等于电子线路部件和传感膜盒阻尼时间常数之和电子线路部件阻尼时间:0-100S 范围可调传感膜盒(隔离传感膜片和硅油填充液)阻尼时间:≤0.2S断电后上电启动时间:≤6S数据恢复至正常使用时间:≤31S | |
| 2、重量净重:约1.8kg(无安装支架,过程连接配件) | |
| 3、环境条件净重:约4kg(无安装支架,过程连接配件) | |
| 使用环境温度范围:-40-85℃,一体化LCD显示:-20-70℃ | |
| 储存环境温度范围:-40-110℃,一体化LCD显示:-40-85℃ | |
| 测量介质温度范围:充硅油传感器:-40-120℃, | |
| 使用环境湿度范围:5-100%RH@40℃ | |
| 防护等级:IP67 | |
供电电源/Power supply-----------------------------------------------------------------◆◆ | |
| 项目操作条件标准型/隔爆型10.5-55VDCHART通讯协议16.5-55VDC ,通讯时负载电阻250Ω负载电阻0-2119Ω为工作状态,250-600ΩHART通讯传输距离<1000米耗电量≤500mW@24VDC,20.8mA | |
电源及负载条件/Power supply and load conditions-------------------------------------◆◆ | |
![]() | |
安装和使用/Installation and use----------------------------------------------------◆◆ | |
| 1、Focbar2201-H单晶硅压力变送器安装尺寸图(单位:mm) | |
![]() | |
| 2、Focbar2201-S单晶硅压力变送器安装尺寸图(单位:mm) | |
![]() |