意大利贵宾会-贵宾会官方网站

您好,欢迎来到意大利贵宾会-贵宾会官方网站 官方网站!

专业生产销售自动化仪表热销产品:电磁流量计、涡轮流量计、涡街流量计、雷达液位计

销售热线:180-1604-8883
            180-1604-8887

当前位置:首页 > 产品展示 > 压力仪表系列

电接点压力表

发布者:发表时间:2020/9/2 19:33:25

一、电接点压力表产品概述

磁助电接点压力表广泛应用于石油、化工、冶金、电站等工业部门或机电设备配套中测量无爆炸危险的各种流体介质的压力。通常,电接点压力表经与相应的电气器件(如继电器及接触器等)配套使用,即可对被测(控)压力系统实现自动控制和发信(报警)的目的。电接点压力表适用于测量对铜合金无腐蚀、无爆炸危险、非结晶的各种液体、气体等介质压力。仪表经与相应的电气器件配套使用,可达到对被测压力系统实现预先设定的最大或最小压力值的双位自动控制和发信(报警)的目的。仪表具有测量控制功能,可任意设定上、下限值,动作稳定可靠,在石油、化工、电站、冶金等工业企业及机电设备上广泛配套使用。


二、电接点压力表产品原理

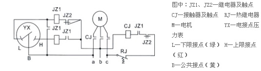
电接点压力表由测量系统、指示装置、磁助电接点装置、外壳、调节装置及接线盒等组成。当被测压力作用于弹簧管时,其末端产生相应的弹性变形一位移,经传动机构放大后,由指示装置在度盘上指示出来。同时指针带动电接点装置的活动触点与设定指针上的触头(上限或下限)相接触的瞬时,致使控制系统接通或断开电路,以达到自动控制和发信报警的目的。在电接点装置的电接触信号针上,装有可调节的永久磁钢,可以增加接点吸力,加快接触动作,从而使触点接触可靠,消除电弧,能有效地避免仪表由于工作环境振动或介质压力脉动造成触点的频繁关断。所以该仪表具有动作可靠、使用寿命长、触点开关功率较大等优点。

● 接点装置电气参数及控制形式




三、电接点压力表型号表示



四、电接点压力表电气电路连接示意图



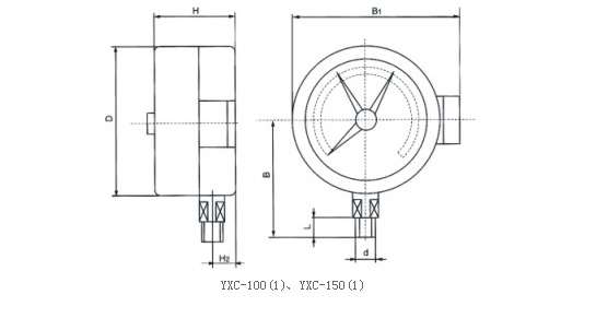
五、电接点压力表外形尺寸


下一篇:隔膜压力表
上一篇:没有了!
联系意大利贵宾会-贵宾会官方网站

电话:021-54847765

传真:021-51687853

邮箱:shgyyb@163.com

地址:上海市奉贤区金海公路3265号